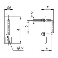
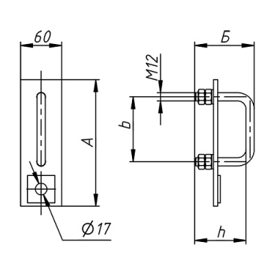
Узел поддерживающий УП.Ш(1)-80
Артикул:
УП.Ш(1)-80
480 руб.
/шт
Уважаемые покупатели!
Просим уточнять цену и доступное количество.
-
+
В корзину
Купить в 1 клик
Описание и документация
ООО КомТел является официальным представителем.
Узел крепления поддерживающий УП.Ш(1)-80 предназначен для поддерживающего крепления оптического самонесущего диэлектрического кабеля или кабеля встроенного в грозозащитный трос на металлических опорах ЛЭП.
Высокое качество материалов + верно подобранная арматура = долгий срок эксплуатации линии связи.
Купить Узел крепления поддерживающий УП.Ш(1)-80, получить консультацию по подбору оборудования и материалов Вы можете по телефону +7 (343) 247-82-37 или по электронной почте sales@komtel.su.
Характеристики
|
Тип
|
поддерживающий |
|
Габаритные размеры, мм
|
185х60х87 |
|
Рабочая нагрузка макс., кН
|
≤ 40 кН |
|
ЛОГИСТИЧЕСКИЕ ПАРАМЕТРЫ
|
|
|
Объем, м3
|
0,000965 |
|
Вес, кг.
|
0,84 |
Будьте всегда в курсе!
Узнавайте о скидках и акциях первым
Новости
Все новости


