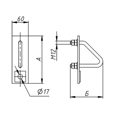
Узел поддерживающий УП(1)-70
Уважаемые покупатели!
Просим уточнять цену и доступное количество.
Описание и документация
ООО КомТел является официальным представителем.
Узел крепления поддерживающий УП(1)-70 предназначен для анкерного поддерживающего крепления оптического самонесущего диэлектрического кабеля или кабеля встроенного в грозозащитный трос на металлических опорах ВЛЭП.
Тщательные изучение проектной документации и исследование объекта - одни из самых важных составляющих успешного проекта.
Купить Узел крепления поддерживающий УП(1)-70, получить консультацию по подбору оборудования и материалов Вы можете по телефону +7 (343) 247-82-37 или по электронной почте sales@komtel.su.
Характеристики
|
Тип
|
поддерживающий |
|
Габаритные размеры, мм
|
175х60х120 |
|
Рабочая нагрузка макс., кН
|
≤ 40 кН |
|
Объем, м3
|
0,00126 |
|
Вес, кг.
|
0,83 |


