110104-00014 | Колодец пластиковый кабельный ККТ-2-ССД с металлокаркасом
Уважаемые покупатели!
Просим уточнять цену и доступное количество.
Описание и документация

ООО КомТел является официальным дистрибьютором компании СВЯЗЬСТРОЙДЕТАЛЬ.
Предназначен для строительства электрических и телекоммуникационных кабельных сетей в качестве смотрового устройства кабельной канализации, с возможностью обеспечения вывода горловины на поверхность, а также в качестве подземных контейнеров с целью размещения пассивного оборудования.
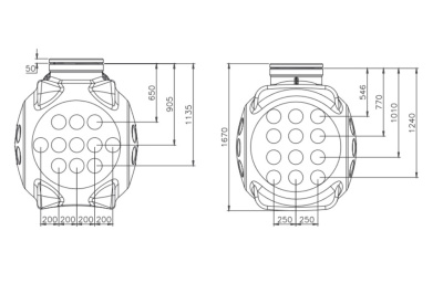
Представляет собой цельнолитое изделие шарообразной формы, без сварных швов, обеспечивающих его герметичность. Корпус колодца имеет ребра жесткости для придания ему повышенной прочности. С четырех сторон, на стенках колодца имеются специально сформированные контуры для ввода гладкостенных, гофрированных или спиральных труб. Каждая стенка содержит по 6-ть таких контуров диаметром 170 мм.
Металлический каркас, которым усиливается ККТ-2, устанавливается в камере колодца, путем сборки его элементов. На одной стороне колодца, к вертикальным элементам каркаса, приварены 2 кабелегона (кронштейна). В последующем, на эти кронштейны устанавливаются кабельные консоли (приобретаются дополнительно). При необходимости прокладки кабеля с двух сторон, необходимо дополнительно заказать нужное количество кабелегонов.
В комплект колодца ККТ-2 входит полиэтиленовая крышка с резиновой прокладкой, которая обеспечивает плотное прилегание. На верхней поверхности крышки имеются специальные отверстия, в которые вставляется ключ, который приобретается дополнительно. Это позволяет закрутить крышку с усилием. Последующее открытие крышки возможно только с применением ключа.
Ввод трубы в колодец осуществляется с четырех сторон, с применением адаптеров герметичного ввода. Возможен ввод трубы диаметром от 25 мм до 110 мм.
Погрузо-разгрузочные работы могут проводиться при применении тканевых строп, которые должны размещаться под днищем колодца. Дополнительно, колодец можно разгружать, используя карабины (или иные специальные приспособления), которые помещаются в имеющиеся отверстия на колодце, диаметр которых 10 мм.
Купить 110104-00014 | Колодец пластиковый кабельный ККТ-2-ССД с металлокаркасом, получить консультацию по подбору оборудования и материалов Вы можете по телефону +7 (343) 247-82-37 или по электронной почте sales@komtel.su.
Характеристики
|
Длина, мм
|
1360 |
|
Высота, мм
|
1670 |
|
Диаметр трубы, мм
|
до 110 |
|
Температура эксплуатации, °C
|
-45…+50 |
|
Объем, м3
|
3,088 |
|
Вес, кг.
|
109 |





