Скоба СКД-16-1
Уточните сроки изготовления/поставки и актуальную цену!
Описание и документация

ООО КомТел является официальным представителем ЭЛЕКТРОСЕТЬСТРОЙПРОЕКТ.
Скоба СКД-16-1 является промежуточным элементом подвесок, обеспечивают поворот осей шарниров на 90 градусов.
Элемент сцепной арматуры, предназначена для шарнирного крепления гирлянд изоляторов и грозозащитных тросов к опорам воздушных линий передачи.
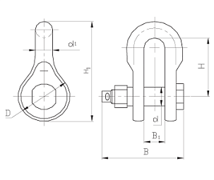
Чертёж и размеры Скобы СКД-16-1:


Купить Скобу СКД-16-1, получить консультацию по подбору оборудования и материалов Вы можете по телефону +7 (343) 247-82-37 или по электронной почте sales@komtel.su.
ООО КомТел = Комплектация Телекома ![]()
![]()
Характеристики
|
Вес, кг
|
1 |
|
Объем, м³
|
0,0025 |
|
Картинки
|
Array |
