Узел поддерживающий УК(У)П-125
Описание и документация
ООО КомТел является официальным представителем.
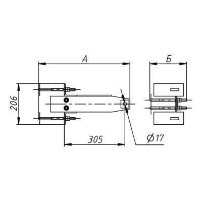
Узел крепления поддерживающий УК(У)П-125 предназначен для поддерживающего крепления оптического самонесущего диэлектрического кабеля или кабеля встроенного в грозозащитный трос на металлических опорах ЛЭП.
Высокое качество материалов + верно подобранная арматура = долгий срок эксплуатации линии связи.
Купить Узел крепления поддерживающий УК(У)П-125, получить консультацию по подбору оборудования и материалов Вы можете по телефону +7 (343) 247-82-37 или по электронной почте sales@komtel.su.
Характеристики
|
Тип
|
поддерживающий |
|
Габаритные размеры, мм
|
400х206х150 |
|
КОМПЛЕКТАЦИЯ
|
|
|
ЛОГИСТИЧЕСКИЕ ПАРАМЕТРЫ
|
|
|
Объем, м3
|
0,01236 |
|
Вес, кг.
|
4,0 |



